
数据采集设计中配电参数采集主要是三相电压、电流等信号的采集;首先,采集电路采集到变压器低压侧的电压和电流量;然后,通过调理运放电路并经过模数转换芯片进行模数转换;最后,传送给单片机进行数据处理;对输入信号要求是单极性,电压范围为0~5 V;为防止信号太小须进行放大,本文设计出以下采集电路:
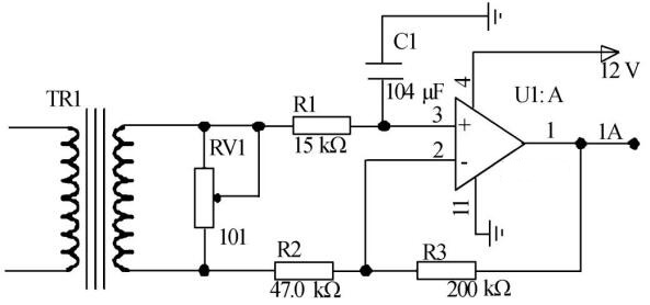
电流信号采集采用三个精密微型电流互感器,电流信号采用差分输入(可减小误差);以A相电流采集为例,从互感器经过并联的滑动变阻器RV1得到输入电压要求范围内的电压,再经过电容器C1滤波后,得到的小信号经过 放大器放大后接入模数转换芯片将模拟信号转换为数字信号。B相、C相电流采集与A相原理相同。

电流调理运放电路图
GPS接收??樯杓?/span>
GPS接收??槭墙邮栈钪匾?、最关键的部分,作为接收??椋杈哂?4引脚,工作电压2.7V~3.6V;需要满足以高性能定位引擎为特色的独立GPS接收机,且尺寸小巧,在16mm×12.2mm×2.4mm的微型封装内提供了众多连接选项,200多万个相关器***使用定位时间不到1s,更新速率达到5Hz;其紧凑的结构和断点记忆功能。该GPS接收??橹饕问?时间脉冲信号精度为30ns;水平精度以圆概率误差(CEP),即GPS定位在2.5m精度的概率为50%;支持UART、USB、SPI接口通信,采用串口与外部设备MCU通信;支持NAME、UBX、RTCM协议等。
VCC引脚接3.3V电源;时间脉冲引脚接蓝色LED指示灯,??樯系绾笾甘镜屏?,开始接收GPS信号时指示灯闪烁;RF_IN引脚接天线;SCL2和SDA2分别与电可擦可编程存储器24AA32A的SCL和SDA相连,每次掉电重启后,GPS??榛岽又屑釉嘏渲眯畔?;V_BCKP引脚接备用电源;由于单片机芯片输出均为TTL电平,则RXD1与单片机的RXD直接相连即可,用于单片机控制其接收信号;TXD1和单片机的TXD直接相连,用于向单片机发送采集到的GPS信号,单片机按照协议解析信号从中分离提取出时间信号通从而得到自主授时。
系统主流程设计
系统主程序工作流程与硬件电路设计中各模块相对应,系统开始工作时,首先对单片机、模数转换芯片等进行初始化,读时钟的日期和时分,记录开测日期和时分并开始对三相电压电流进行采样,根据相应的参数计算无功投切相应参数,通过该参数确定系统是否需要调用无功投切子程序,如果需要则调用该子程序;如果不需要执行该程序,则判断时间是否到达一分钟并执行读表指令,判断该指令内容,继而循环此过程;软件采用C语言编写和结构化设计程序,在集成开发环境中完成,再经过不断地调试、修改、仿真。最后,通过上位机软件完成对配电参数的监测。
扫一扫咨询微信客服